IC Contest 2011全客戶設計練習-PART2

花費時間:1/23
目前進度:LAYOUT 畫到DFF,但還有錯誤

直接附圖
重點是我的CLK 跟 GND  聯再一起了,所以明天直接改成METAL3

小電路用CELL代替
第一個小CELL
INVERTER

INV layuot
INV DRC、LVS

第二個小CELL
NAND2

NAND2layout
NAND2 DRC、LVS

第三個小CELL
NAND3

NAND3layout
NAND3 DRC、LVS

把小零件結合成DFF

用小畫家標數字

很明顯我把CLK與GND接在一起了,明天改成METAL3應該就沒問題,再把線拉密一點XD

DFF layout
DFF DRC、LVS

IC Contest 2012全客戶設計練習-PART1

花費時間:1/20、1/21
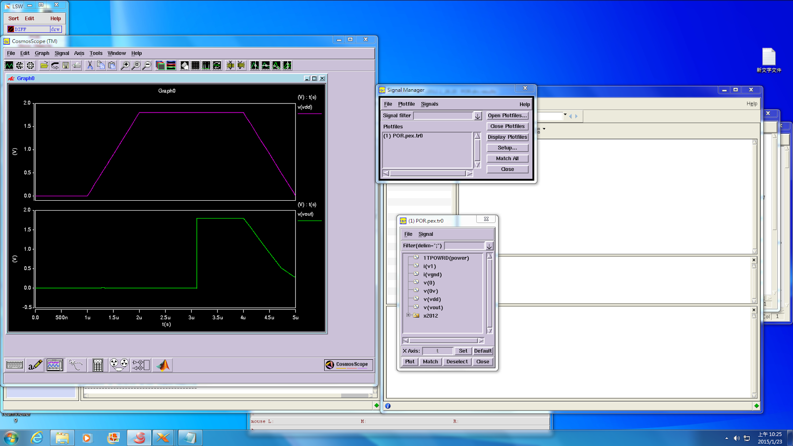
寒假結束後並沒有立馬開始玩,而是留在學校做專題,也不錯阿,這樣很充實,努力一點看能不能三月多去參加比賽,第一個做的題目是2012年的全客戶設計,題目式設計一個POWER ON RESET的電路

大致上電路不難,重點是我們一直改LAYOUT,但是我的DELAY時間太大,後來才知道最快方式式更改下面三個電容,因為那對DELAY影響最大,所以很快就完成了,
重點就是DELAY跟電容有很大的關係
我直接貼結果好了